이제부터 실전 해석 이야기 몇가지.
RLC, Transistor, Pull up & down등이 전체 chip들을 연결하는데 사용되며, 이를 이용한 感을 익히기 위하여 몇가지 examples를 들어 따라가 보겠습니다.
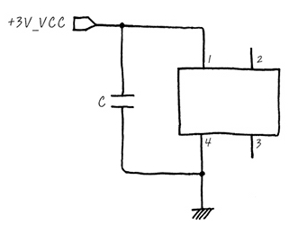
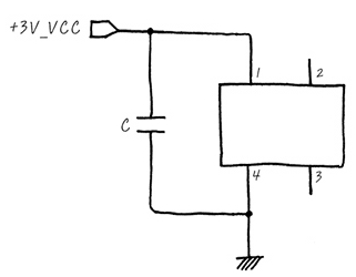
example) C

가장 간단하게, Chip에 3V DC전원을 인가 하기 위한 회로 입니다. 여기에서 C의 용법은? AC인 고주파만 통과시키고요, 3V 전원이 인가 될 때, AC성분을 GND로 흘려 Chip에 들어가는 것을 차단하기 위한 Capacitor입니다. 여기에서 AC는 전원 Noise따위 이죠. 또는 전원이 켜질 때 Transition으로 생기는 Noise따위를 제거 하기 위한 것입니다. Ripple제거라고도 하는데,이런 작은양의 DC의 흔들림 (AC성분)을 Ripple이라고도 부릅니다. 앞서 살펴본 Low Pass Filter와 같구요, 이런 경우 C만 보이지만, +3V_VCC를 거꾸로 따라가 보면,
R이 붙어 있을 것이라는 것을 유추할 수 있을 것입니다. (초간단 회로응용 - 필터 편에서 RC filter 보신 바 대로.. ㅋ)
간단하죠?
example) L, C

이 회로에서 +3V_VCC가 전원이며, 이 전원이 D_CHIP의 VCC_IN에 drive되어D_CHIP이 동작하도록 하는 것 입니다. 이 회로중 L과 C는 어떻게 사용되느냐 하면, L은 AC에게는 큰 저항, DC에게는 저항 없음이고요, C는 AC에게는 저항 없음이고, DC에게는 큰 저항입니다. 이런 거라면 +3V_VCC의 DC성분을 안정적으로 VCC_IN에 안정적으로공급하기 위한 것입니다. 당연히 Ripple 제거죠.
C L
저주파수 저항 큼 저항 작음
고주파수 저항 작음 저항 큼
L대신 R을 넣고 사용해도 괜찮지 않겠는가 하는 의문이 들테지만, L을 넣는 경우는 보통 그냥 코일이 아니라, bead라고 부르는 Inductor의 한 종류를 삽입하는데, 이 bead의 특성이 특정 주파수에서 저항의 역할을 톡톡히 하여, 마치 공진기 처럼 특정 주파수를 없애 버리는 역할도 같이 합니다. 결국 R을 넣으면, 전체적으로 줄어 들긴 하나 특정 주파수를 제거하지는 못하지만, L을 넣으므로서 AC를 전체적으로 죽이면서도 특정 주파수를 죽여버릴 수 있는 장점이 있습니다. 이런 회로는 통신회로에 많이 사용되는데, 통신회로중 통신을 하는 carrier주파수에 영향을 없게 하기 위하여, 이런 bead를 삽입해서 그 주파수가 Board에 발생하지 못하도록 합니다. 바로 언급한 두개의 example에서 사용된 C를 바로 Bypass Capacitor 또는 Decoupling Capacitor라고 부릅니다. Bypass Capacitor는 Noise, Ripple성분을 주파수 특성을 이용하여 GND로 통과시켜 버린다는 의미이고,또는 Decoupling Capacitor는 Noise, 또는 Ripple성분을 전원공급에서 떼 내어 버린다는 것을 뜻하죠.
example) USB_CONN/, TR, C, CONTROL

이 회로는 chip1에 CONTROL신호를 넣으면 USB_CONN/를 구동하는 회로입니다.
다시 말하면,
ⓐ 다른 어떤 chip으로부터 CONTROL High drive
ⓑ CHIP1은 pin 5에 High drive
ⓒ TR ON
ⓓ USB_CONN/ Low drive로 Active 됨.
이라는 스토리인거죠. 여기에서 R, TR, C는 어떤 용도로 쓰이는 지 확인해 보면, 첫번째로 Capacitor C는 Control 신호가 CHIP1에 입력될 때, 쓸 데 없는 AC성분이 들어가지 않도록, AC를 GND로 흘려 보내는 역할을 하고요, R은 USB_CONN/이 Low active 이므로, 평상시 default상태를 High로 만들기 위한 +3V_VCC와 함께 Pull up을 하기 위한 것입니다.
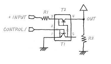
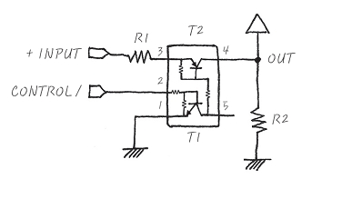
example) R, TR

이 회로는 npn형 T1, pnp형 T2 트랜지스터가 맞물려 있으며, input으로는 +INPUT, CONTROL/가 있고, Output이 오른쪽 상단에 OUT port로 나와 있습니다. 이 회로는 어떻게 동작하는 것일까, 일단 이 회로는 DC회로이며, CONTROL/에 의해서 control된다고 보면 됩니다. 이 회로는 R1과 +INPUT신호를 이용한 Pull up입니다. 일단 CONTROL/가 high일 때는 T1이 ON되며, 이때 그렇게 되면 +INPUT은 3번 port와 5번 port를 따라 전압을 소진하게 되면서 동시에 T2가 ON 되지요. 5번 port는 T1이 ON이 됨에 의하여 1번 port의 GND에 연결되니까 그렇습니다. 그러므로 OUT으로 연결되는 T2가 ON 되었으니까 OUT에 INPUT가 거의 다 걸리게 되는거죠. 그러면 이번엔 반대 case인 CONTROL/의 신호가 low인 경우에는 어떻게 되는가 하면, CONTROL이 Low가 되면서 T1이 off가 되고요, T2는 덩달아서 off가 되지요. 결국, +INPUT신호는 오갈 곳 없어 지는 거고 OUT에는 아무 것도 걸리지 않는 거지요. 결국 CONTROL/신호가 LOW일 때 OUTPUT에 아무것도 걸리지 않고, CONTROL/ 신호가 High일 때는 +INPUT신호가 OUT으로 나가게 되는 회로가 됩니다
뭐 이런 example들을 이용해서 큰 회로도를 그리게 되는데, 그 principle들은 어디 안도망가니까,회로도 볼 때, 항상 머리속에 참고해서 확인하면 되겠습니다라는 주장입니다. 캬하 -

친절한 임베디드 시스템 개발자 되기 강좌 글 전체 리스트 (링크) -

댓글